黑色金属的冷挤压成形

发布时间:2018-7-25|发布人:鼎功机械

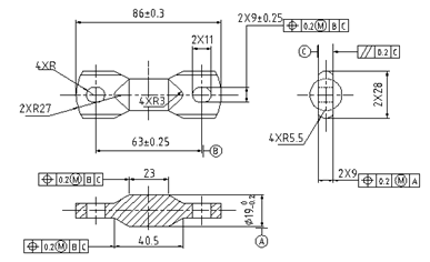
随着汽车工业的发展,低成本高性能车型的不断刷新,迫使汽车零、部件制造业有较高的质量、生产效率和适应批量生产的规模已成为必然,企业只有对相关零件尽可能采用成形加工,优化设计、制造模具和合理编制工艺流程,才能满足汽车精密零部件的质量和产量日益提高的要求。销棒是一个即普通又典型的汽车零件,结构如图1所示。


图1 零件成品图

零件分析

图中所有尺寸为零件最终成品尺寸。使用材料为20钢,零件中间部是一个φ19mm的圆柱体,两端是R27的圆弧弧度且厚度为9mm的呈中心对称的扁平结构,在扁平面上加工有两个11mm×9mm的椭圆孔,圆柱部分与两端扁平面通过斜面与圆弧面光滑过渡连接。从零件设计尺寸上看,其径向公差范围≤0.2mm,轴向公差范围为≤0.3mm;从零件的形状公差分析,平面度要求≤0.2mm、且位置公差范围≤0.2mm共有五处,除完全满足产品图中指定的尺寸公差、形位公差、表面粗糙度外,零件还要求不允许出现裂纹、划痕、压坑和毛刺等外观缺陷。

制定工艺方案及毛坯尺寸

通过对零件的分析,认为只能采用一次冷挤压成形来满足零件的相关要求。根据冷挤压工艺技术理论和在实践中积累的经验,初步拟定工艺流程:毛坯配制→清洗→退火→磷皂化→挤压成形 →切边→冲孔→手工去硬棱→振动去毛刺→烘干等工序。 

根据零件形状结构特点,毛坯形状选取,尽量采用接近零件形状的原则并根据毛坯配制与零件同体积及同重量的要求,在通过理论计算后,决定采用直径为18mm的冷拉圆钢,长度为85mm。考虑到既要保证零件质量、适应批量生产,又能降低生产成本的要求,决定将毛坯长度公差控制在1 mm范围。

分析整个工艺路线,每道工序都将对零件的生产起着重要作用,只要有一道工序完成不到位,零件质量必会受到影响。其中挤压成形工序是整个工艺当中最重要的工序,挤压成形模具结构设计的是否合理,不但影响零件的质量,更重要的是关系着该件挤压成形工艺的成功与失败。

确定模具结构

按照常规的冷挤压知识:冷挤压加工适用于旋转体类、台阶类且呈对称性的低碳钢零件的加工。而销棒从结构上来讲,它是一种普通,典型的非旋转体类对称性零件,并且针对性地认真查阅了相关冷挤压件工艺的具体实例图册,没有发现类似零件的介绍。在此情况下,我们仔细分析了该零件的结构后,凭借平时积累的生产实践经验和多年掌握的冷挤压理论知识,制定出两种模具结构方案,现介绍如下:

⑴方案一:普通式挤压成形模。将设计好的上凹模(上凹模与下凹模结构完全相同)和下凹模与上下垫板、上下模板用销子和螺栓固定连接,见图2;使用时直接将模具装夹在压力机的工作台和滑块上,工作时靠滑块在设备的导轨上下滑动来保证模具的工作精度。优点:模具结构简单,加工成本低;装卸方便,利于调整。缺点:靠设备本身的精度,来保证模具工作时上下移动的精度。设备精度低时不能使用。且在工作时容易出现紧定螺栓振松,造成模具上下错位,调整模具需要高水平的技能操作人员等不利生产的现象。


图2 方案一模具简图

⑵方案二:模架式挤压成形模。将设计好的上凹模(上凹模与下凹模结构完全相同)和下凹模与上、下垫板,上、下模板用销子和螺栓固定连接;而上凹模与下凹模通过导柱与导套固定了上、下模具的相对位置。优点:模具的对正精度靠模架本身来保证。不依赖设备的精度,一般技能人员即可操作,既便夹紧螺栓松动,也不影响模具的精度;又考虑到模具在大批量生产使用冲压设备和专用切断模具进行下料最为经济,而专用切断模具,下料精度低,下料长度尺寸公差大,转入下道挤压成形生产时,容易形成压力机闷车或模具损坏等现象发生,因此在设计上凹模(上凹模与下凹模结构完全相同)和下凹模时型腔尺寸在方案一的基础上增设了退料槽,加强了使用设备的安全性和可靠性,也为模具使用寿命的提高奠定了基础,见图3。缺点:模具结构复杂,加工成本高,加工难度大,使用时不容易调整。


图3 方案二模具简图

综述两种方案的模具结构,详细分析两套方案结构中模具的优缺点,考虑到零件生产批量性、经济性和可操作性以及设备的安全性和模具的使用寿命,决定采用方案二较为合适。

验证及优化模具方案

通过数月的工装设计、模具制造、小批量试生产、大批量试生产,验证了模具结构合理,易损件—每组成形上凹模、下凹模可生产零件四万余件;生产出的零件完全满足产品图要求。但在生产四万余件后,同时发现个别模具存在以下两个问题:

⑴上凹模、下凹模在型腔尺寸直角处,由于应力集中产生裂纹,造成模具开裂,见图4。

⑵零件的上下部分偶有偏移现象。


图4 挤压成形模具破裂简图


通过对模具直角处崩裂的情况分析:在初期设计工装时,认为本件不属于回转体件,工作时模具受力面较浅而没有考虑预应力圈的作用。实践证明,在挤压模具结构的设计中,增加预应力圈,必将提高模具的使用寿命。因此,在上凹模的外径与下凹模的外径位置处分别增加了预应力圈,来解决模具直角处崩裂问题。以此进一步提高模具寿命。

针对上述试生产实践中出现的零件上下部位偏移的原因初步分析,有如下三点:

⑴由于挤压力大和压力机的刚度及导向性能的影响,模具的制造精度和工作时受力不均,产生弹性变形的影响。

⑵挤压前的毛坯形状、尺寸精度、软化效果及表面润滑的质量对模具产生的影响。

⑶模具安装在压力机上长时间工作,螺栓松动导致模具偏移中心。

因此,为了杜绝上述情况可能造成零件偏移现象发生,采用了在上凹模与下凹模之间增加两个小导柱,以此来保证模具的更准确定位。

优化后的模具

结构

通过工装结构方案的确定、模具结构的设计、制造和多次试模改进、再试模、再改进的挤压模具结构。



工作原理

该模具采用两导柱式模架和上下模之间增加两个小导柱来双重性控制模具工作时的定位准确性。工作时,将毛坯放入下凹模8型腔内,开动压力机上凹模21下行至下凹模(8)吻合(留有跑料间隙),成形工序完成,模具回程。走完一道完整的生产工艺加工过程。

目前通过完善改进和优化的模具结构,模具寿命有了更进一步提高。

结束语

该件通过工艺改进和工装改进后的工艺流程,已完成十几个批次的生产任务。质量稳定,工艺可靠,为今后类似异形结构零件的冷挤压加工的批量生产,提供了可借鉴性的技术资料。供大家参考阅读。

——节选自《锻造与冲压》杂志2010年06期